模具類加工
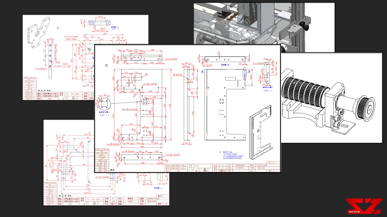
整機設備測繪並且針對需求改善設計
強度分析,物件建構
零件類加工
油壓缸行程不足,修改原活塞增加其行程,亦不影響原有性能
組裝治具
機構檢測治具
您可以在此自訂您的 cookie 偏好。啟用或關閉以下這些類別,並儲存您的選擇。